Наконечники штыревые втулочные (трубчатые) изолированные двойные

Наконечники штыревые втулочные (трубчатые) изолированные двойные DTE – служат для оконцевания и повышения степени надежности соединения двух кабельных проводников сечением 0,5-16 мм2 в одном наконечнике. Материал наконечников – луженая медь, материал изоляции – негорючий ПВХ.
Для достижения наиболее качественного соединения, обжим, опрессовка наконечников на проводниках осуществляется поверх изоляционной гильзы при помощи специализированного инструмента. Следующим шагом является обжим, опрессовка штырей наконечников до формы шестигранника и монтаж их внутри контактных зажимов аппаратов.

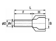
Характеристики наконечников штыревых втулочных (трубчатых) изолированных двойных указаны в таблице ниже.
Окончательная цена на наконечники штыревые втулочные (трубчатые) изолированные двойные зависит от количества, сроков поставки, производителя, страны происхождения и формы оплаты.
Тип наконечника | Цена | Сечение провода | Размеры, мм | Цвет | ||||||
Ød | ØD | L | F | H | B | Французский | Немецкий | |||
DTE00508 blue | 0,63 руб. | 2×0,50 мм2 | 1,5 | 1,8 | 14,5 | 8 | 6,5 | 5,6 | Белый | Белый |
DTE00708 | по запросу | 2×0,75 мм2 | 1,8 | 2,1 | 14,7 | 8 | 6,7 | 6,2 | Синий | Серый |
DTE00710 | по запросу | 1,8 | 2,1 | 16,7 | 10 | 6,7 | 6,2 | |||
DTE01008 | по запросу | 2×1,00 мм2 | 2,0 | 2,3 | 15,1 | 8 | 7,1 | 6,0 | Красный | Красный |
DTE01010 | по запросу | 2,0 | 2,3 | 17,1 | 10 | 7,1 | 6,0 | |||
DTE01508 white | 1,29 руб. | 2×1,50 мм2 | 2,3 | 2,6 | 15,5 | 8 | 7,5 | 7,2 | Черный | Синий |
DTE01512 | по запросу | 2,3 | 2,6 | 19,5 | 12 | 7,5 | 7,2 | |||
DTE01510 | по запросу | 2×2,50 мм2 | 2,9 | 3,3 | 18,5 | 10 | 8,5 | 8,5 | Серый | Синий |
DTE02513 | по запросу | 2,9 | 3,3 | 21,5 | 13 | 8,5 | 8,5 | |||
DTE04012 | по запросу | 2×4,00 мм2 | 3,8 | 4,2 | 23,1 | 12 | 11,1 | 9,2 | Оранжевый | Серый |
DTE06014 | по запросу | 2×6,00 мм2 | 4,9 | 5,3 | 26,1 | 14 | 12,1 | 10,5 | Зеленый | Желтый |
DTE10014 | по запросу | 2×10,0 мм2 | 6,5 | 6,9 | 26,6 | 14 | 12,6 | 13 | Коричневый | Красный |
DTE16014 | по запросу | 2×16,0 мм2 | 8,7 | 8,7 | 31,3 | 14 | 17,3 | 19,3 | Слон. кость | Синий |
Маркировка наконечников DTE:
DTE | 160 | 14 |
DTE | – | Серия наконечника. | ||||||||||||||||||||
160 | – | Среднее сечение кабеля, на которое рассчитан наконечник:
|
||||||||||||||||||||
14 | – | Длина контактной части наконечника F, мм. |
Рекомендуем посмотреть:
Комментарии к продукции, отзывы: