Модуль диодный SKKE 120F17 (АМКЕ 120F17)
| Модуль Semikron | SKKE 120F17 |
| Номинальный ток, ITAV/IFAV (TC) | 120А (82ºC) |
| Напряжение, VRRM/VDRM | 1700В |
| Масса | 160 г |
| Корпус, Размеры LxBxH | SEMIPACK 2 94x34x30 |
| Инф. лист (даташит) | |
| Аналог АС ЭНЕРГИЯТМ | АМКЕ 120F17 |
| Купить | 2122,00 руб. |
Модули диодные быстродействующие AMKE 120F17 АС ЭНЕРГИЯТМ – полупроводниковые силовые модули, регулируют и преобразовывают постоянный и переменный ток до 120 ампер в цепях с напряжением до 1700 вольт, альтернатива, замена, полный аналог модулей SKKE120F17 Semikron.
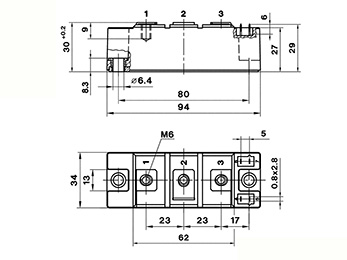
Тип модуля АМКЕ 120F17 – диодный однопозиционый. Диодные модули выполнены в стандартном монолитном корпусе – размеры основания 94x34 мм, высота – 30 мм, масса – 160 г, что позволяет легко интегрировать устройство в существующее оборудование.
Основные (силовые) выводы находятся на верхней части корпуса и обозначены как 1, 2, 3 (общий анод-катод, катод, анод).
Диодные модули характеризуются высокой электрической и тепловой цикличной стойкостью (более 10 000 циклов при температуре в 100°C), что означает высокую надежность и длительный срок службы в интенсивных режимах работы.
Применяются диодные модули SKKE, АМКЕ в различных силовых установках – блоках питания и управления, регуляторах мощности, регуляторах переменного тока, преобразователях, устройствах запуска и управления электродвигателями, температурных контроллерах доменных печей или химических процессов, сварочном оборудовании, а также в качестве выпрямителей для преобразователей переменного тока.
Наша компания предоставляет гарантию качества на диодные модули 2 года с момента покупки. При поставке тиристорных, диодных модулей при необходимости предоставляем паспорт качества и сертификат соответствия.
Параметры диодных модулей SKKE 120F17, размеры, чертежи, схема, даташит, аналог AMKE 120F17 приведены ниже.
Окончательная цена на диодные модули АМКЕ зависит от класса, количества, сроков поставки, производителя и формы оплаты.
Основные характеристики диодных модулей SKKE 120F17:
| Характеристики модулей | SKKE 120F17 | |
| Максимально допустимый средний прямой ток (Температура корпуса) | ITAV/IFAV (Tcase) | 120 А (82ºC) |
| Повторяющееся импульсное напряжение в закрытом состоянии; повторяющееся импульсное обратное напряжение |
VRRM/VDRM | 1700 В |
| Ударный ток в открытом состоянии | ITSM/IFSM | 1800 А |
| Защитный показатель | I2t | 16200 А2·с |
| Пороговое напряжение | VT(TO) | 1.50 В |
| Динамическое сопротивление | rT | 4.5 мОм |
| Максимальная температура p-n перехода | Tj max | 150 ºС |
| Тепловое сопротивление переход-корпус | Rth(j-c) | 0.200 ºС/Вт |
| Исполнение | - | однопозиционное |
| Тип | - | диод |
| Масса | W | 160 г |
| Габаритные размеры, мм | LxBxH | Корпус 2 94x34x30 |
| Аналог АС ЭНЕРГИЯТМ | серия | AMKE 120F17 |
| Инф. лист (даташит) | ||
Расшифровка маркировки (обозначения) диодных модулей АМКЕ 120F17:
| А | М | КЕ | 120 | F | 17 |
| А | – | |
| М | – | Тип полупроводникового прибора: Модуль. |
| КЕ | – | Схема внутреннего подключения: диод. |
| 120 | – | Номинальный ток (ITAV), А. |
| F | – | Быстродействующий. |
| 17 | – | Класс по напряжению (VRRM/100). |
























Комментарии к продукции, отзывы: