Резисторы силовые AH 15W в алюминиевом корпусе
Мощные силовые резисторы AH 15W в алюминиевом корпусе, ещё их называют как мощные резисторы AHA-15, HS15, RX24 15W, AHR (Aluminum housed resistor) – постоянные проволочные резисторы, номинальное сопротивление 0,01 Ом – 10 кОм, рассеиваемая мощность – 15Вт. Резисторы способны рассеивать высокие активные и реактивные мощности в ограниченном пространстве при относительно низкой температуре поверхности корпуса. Выделяемая мощность быстро рассеивается в виде тепла через алюминиевый корпус и отводится в радиатор.
Конструктивно силовые резисторы AH выполнены с обмоткой из нихрома, намотаной на стержень и помещена в керамическую оболочку. Монолитность конструкции обеспечивается капсулированием с помощью термостойкого компаунда в алюминиевом корпусе, за что их называют как резисторы типа AHR (Aluminum Housed Resistor), "золотые" резисторы (Gold Aluminum Housed Wirewound Resistor AH).
На торцах резистора размещены жесткие аксиальные выводы, крепление проводов с помощью гаек или винтов. Для установки резистора на радиатор на корпусе тормозного резистора AH предусмотрены крепежные отверстия под винт.
Допустимое отклонение сопротивления мощных резисторов AH в пределах ±5%. Ряд промежуточных значений номинальных сопротивлений – Е24
E24 - ряд номиналов сопротивлений постоянных резисторов (24 значения в десятичном интервале от 1 до 10).
.
Рабочая повышенная температура среды не превышает +155°С, пониженная – до -55°С, предельная температура перегрева – до +275°С. Сопротивление изоляции силовых резисторов AH составляет не менее 10000 МОм. Наработка при номинальной нагрузке составляет не менее 1000 ч.
Резисторы широко применяются в цепях постоянного и переменного тока, обеспечивая ограничение силы тока и распределение напряжения, в мощных источниках питания, железнодорожном транспорте, тяговых промышленных устройствах, используются как тормозные резисторы.
Мощные силовые резисторы AH также используются в качестве энергорассеивающего элемента при торможении асинхронных электродвигателей в высокоинерционных механизмах подъемно-транспортного (краны, различные подъемники или лифты, наклонные транспортеры и транспортные тележки), высокоинерционного (рольганги, центрифуги, дымососы, тягодутьевые механизмы) и станочного применения (шлифовальные, сверлильные и токарно-винторезные станки) и др.
Расчет резистора, проводимый при подборе необходимого номинала, рекомендуется проводить, используя калькулятор, предоставляющий возможность определять общее параллельное или последовательное сопротивление резисторов, а также сопротивление резисторов в цепи.
Сравнительная таблица резисторов мощных AH, С5-35В, С5-36В, ПЭВ, ПЭВР приведена под таблицами с основными характеристиками.
Более подробные характеристики представленных силовых резисторов AH, а также расшифровка обозначений маркировки, габаритные и установочные размеры приведены ниже.
Гарантийный срок работы поставляемых нашей компанией тормозных резисторов AH составляет 2 года, что подкрепляется соответствующими документами по качеству.
Окончательная цена на резисторы AH 15W в алюминиевом корпусе зависит от количества, сроков поставки, производителя (бренда), страны происхождения и формы оплаты.
Характеристики резисторов в алюминиевом корпусе AH мощностью 15W:
Ряд номинальных сопротивлений резисторов AH мощностью 15Вт:
| Номинал | Сопротивление | Цена | Номинал | Сопротивление | Цена |
| AH 15W R01 | 0,01 Ом | по запросу | AH 15W 10R | 10 Ом | по запросу |
| AH 15W R011 | 0,011 Ом | по запросу | AH 15W 11R | 11 Ом | по запросу |
| AH 15W R012 | 0,012 Ом | по запросу | AH 15W 12R | 12 Ом | по запросу |
| AH 15W R013 | 0,013 Ом | по запросу | AH 15W 13R | 13 Ом | по запросу |
| AH 15W R015 | 0,015 Ом | по запросу | AH 15W 15R | 15 Ом | по запросу |
| AH 15W R016 | 0,016 Ом | по запросу | AH 15W 16R | 16 Ом | по запросу |
| AH 15W R018 | 0,018 Ом | по запросу | AH 15W 18R | 18 Ом | по запросу |
| AH 15W R02 | 0,02 Ом | по запросу | AH 15W 20R | 20 Ом | по запросу |
| AH 15W R022 | 0,022 Ом | по запросу | AH 15W 22R | 22 Ом | по запросу |
| AH 15W R024 | 0,024 Ом | по запросу | AH 15W 24R | 24 Ом | по запросу |
| AH 15W R027 | 0,027 Ом | по запросу | AH 15W 27R | 27 Ом | по запросу |
| AH 15W R03 | 0,03 Ом | по запросу | AH 15W 30R | 30 Ом | по запросу |
| AH 15W R033 | 0,033 Ом | по запросу | AH 15W 33R | 33 Ом | по запросу |
| AH 15W R036 | 0,036 Ом | по запросу | AH 15W 36R | 36 Ом | по запросу |
| AH 15W R039 | 0,039 Ом | по запросу | AH 15W 39R | 39 Ом | по запросу |
| AH 15W R043 | 0,043 Ом | по запросу | AH 15W 43R | 43 Ом | по запросу |
| AH 15W R047 | 0,047 Ом | по запросу | AH 15W 47R | 47 Ом | по запросу |
| AH 15W R051 | 0,051 Ом | по запросу | AH 15W 50R | 51 Ом | по запросу |
| AH 15W R056 | 0,056 Ом | по запросу | AH 15W 56R | 56 Ом | по запросу |
| AH 15W R062 | 0,062 Ом | по запросу | AH 15W 62R | 62 Ом | по запросу |
| AH 15W R068 | 0,068 Ом | по запросу | AH 15W 68R | 68 Ом | по запросу |
| AH 15W R075 | 0,075 Ом | по запросу | AH 15W 75R | 75 Ом | по запросу |
| AH 15W R082 | 0,082 Ом | по запросу | AH 15W 82R | 82 Ом | по запросу |
| AH 15W R091 | 0,091 Ом | по запросу | AH 15W 91R | 91 Ом | по запросу |
| AH 15W R10 | 0,1 Ом | по запросу | AH 15W 100R | 100 Ом | по запросу |
| AH 15W R11 | 0,11 Ом | по запросу | AH 15W 110R | 110 Ом | по запросу |
| AH 15W R12 | 0,12 Ом | по запросу | AH 15W 120R | 120 Ом | по запросу |
| AH 15W R13 | 0,13 Ом | по запросу | AH 15W 130R | 130 Ом | по запросу |
| AH 15W R15 | 0,15 Ом | по запросу | AH 15W 150R | 150 Ом | по запросу |
| AH 15W R16 | 0,16 Ом | по запросу | AH 15W 160R | 160 Ом | по запросу |
| AH 15W R18 | 0,18 Ом | по запросу | AH 15W 180R | 180 Ом | по запросу |
| AH 15W R20 | 0,2 Ом | по запросу | AH 15W 200R | 200 Ом | по запросу |
| AH 15W R22 | 0,22 Ом | по запросу | AH 15W 220R | 220 Ом | по запросу |
| AH 15W R24 | 0,24 Ом | по запросу | AH 15W 240R | 240 Ом | по запросу |
| AH 15W R27 | 0,27 Ом | по запросу | AH 15W 270R | 270 Ом | по запросу |
| AH 15W R30 | 0,30 Ом | по запросу | AH 15W 300R | 300 Ом | по запросу |
| AH 15W R33 | 0,33 Ом | по запросу | AH 15W 330R | 330 Ом | по запросу |
| AH 15W R36 | 0,36 Ом | по запросу | AH 15W 360R | 360 Ом | по запросу |
| AH 15W R39 | 0,39 Ом | по запросу | AH 15W 390R | 390 Ом | по запросу |
| AH 15W R43 | 0,43 Ом | по запросу | AH 15W 430R | 430 Ом | по запросу |
| AH 15W R47 | 0,47 Ом | по запросу | AH 15W 470R | 470 Ом | по запросу |
| AH 15W R51 | 0,51 Ом | по запросу | AH 15W 510R | 510 Ом | по запросу |
| AH 15W R56 | 0,56 Ом | по запросу | AH 15W 560R | 560 Ом | по запросу |
| AH 15W R62 | 0,62 Ом | по запросу | AH 15W 620R | 620 Ом | по запросу |
| AH 15W R68 | 0,68 Ом | по запросу | AH 15W 680R | 680 Ом | по запросу |
| AH 15W R75 | 0,75 Ом | по запросу | AH 15W 750R | 750 Ом | по запросу |
| AH 15W R82 | 0,82 Ом | по запросу | AH 15W 820R | 820 Ом | по запросу |
| AH 15W R91 | 0,91 Ом | по запросу | AH 15W 910R | 910 Ом | по запросу |
| AH 15W 1R0 | 1 Ом | по запросу | AH 15W 1K0 | 1 кОм | по запросу |
| AH 15W 1R1 | 1,1 Ом | по запросу | AH 15W 1K1 | 1,1 кОм | по запросу |
| AH 15W 1R2 | 1,2 Ом | по запросу | AH 15W 1K2 | 1,2 кОм | по запросу |
| AH 15W 1R3 | 1,3 Ом | по запросу | AH 15W 1K3 | 1,3 кОм | по запросу |
| AH 15W 1R5 | 1,5 Ом | по запросу | AH 15W 1K5 | 1,5 кОм | по запросу |
| AH 15W 1R6 | 1,6 Ом | по запросу | AH 15W 1K6 | 1,6 кОм | по запросу |
| AH 15W 1R8 | 1,8 Ом | по запросу | AH 15W 1K8 | 1,8 кОм | по запросу |
| AH 15W 2R0 | 2 Ом | по запросу | AH 15W 2K0 | 2 кОм | по запросу |
| AH 15W 2R2 | 2,2 Ом | по запросу | AH 15W 2K2 | 2,2 кОм | по запросу |
| AH 15W 2R4 | 2,4 Ом | по запросу | AH 15W 2K4 | 2,4 кОм | по запросу |
| AH 15W 2R7 | 2,7 Ом | по запросу | AH 15W 2K7 | 2,7 кОм | по запросу |
| AH 15W 3R0 | 3 Ом | по запросу | AH 15W 3K0 | 3 кОм | по запросу |
| AH 15W 3R3 | 3,3 Ом | по запросу | AH 15W 3K3 | 3,3 кОм | по запросу |
| AH 15W 3R6 | 3,6 Ом | по запросу | AH 15W 3K6 | 3,6 кОм | по запросу |
| AH 15W 3R9 | 3,9 Ом | по запросу | AH 15W 3K9 | 3,9 кОм | по запросу |
| AH 15W 4R3 | 4,3 Ом | по запросу | AH 15W 4K3 | 4,3 кОм | по запросу |
| AH 15W 4R7 | 4,7 Ом | по запросу | AH 15W 4K7 | 4,7 кОм | по запросу |
| AH 15W 5R0 | 5 Ом | по запросу | AH 15W 5K0 | 5 кОм | по запросу |
| AH 15W 5R1 | 5,1 Ом | по запросу | AH 15W 5K6 | 5,6 кОм | по запросу |
| AH 15W 5R6 | 5,6 Ом | по запросу | AH 15W 6K2 | 6,2 кОм | по запросу |
| AH 15W 6R2 | 6,2 Ом | по запросу | AH 15W 6K8 | 6,8 кОм | по запросу |
| AH 15W 6R8 | 6,8 Ом | по запросу | AH 15W 7K5 | 7,5 кОм | по запросу |
| AH 15W 7R5 | 7,5 Ом | по запросу | AH 15W 8K2 | 8,2 кОм | по запросу |
| AH 15W 8R2 | 8,2 Ом | по запросу | AH 15W 9K1 | 9,1 кОм | по запросу |
| AH 15W 9R1 | 9,1 Ом | по запросу | AH 15W 10K | 10 кОм | по запросу |
Расшифровка обозначений маркировки резисторов AH 15W:
| AH | 15W | 1R5 | J |
| AH | – | Серия резисторов: AHR (Aluminum housed resistor) – мощный резистор в алюминиевом корпусе. | ||||||||||||||
| 15W | – | Номинальная мощность, Вт. | ||||||||||||||
| 1R5 | – | Номинальное сопротивление:
|
||||||||||||||
| J | – | Допустимое отклонение сопротивления:
|
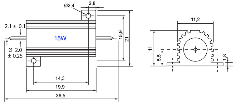
Габаритные и установочные размеры резисторов AH 15W:
![]() |
Примечание. Размеры резисторов зависят от бренда и могут отличаться. При необходимости размеры уточняйте при заказе.
Мощностные и тепловые характеристики резисторов в алюминиевом корпусе AH:
Размеры резисторов в алюминиевом корпусе типа AH:
Примечание. Размеры резисторов зависят от бренда и могут отличаться. При необходимости размеры уточняйте при заказе.
Сравнительные характеристики резисторов мощных:
Рекомендуем посмотреть:





































Комментарии к продукции, отзывы: