Резисторы СП5-20В
Резисторы СП5-20В – переменные проволочные подстроечные резисторы, потенциометры, мощностью 2Вт с линейной зависимостью А и диапазоном регулировки 4,7 Ом – 22 кОм.
Резисторы СП5-20В относятся к однооборотным резисторам с круговым перемещением подвижной системы.
Допустимое отклонение сопротивления ±5% и ±10%. Резисторы имеют приемку "ОТК" и "ПЗ".
Рабочая повышенная температура среды не превышает +80°С, пониженная – до -60°С. Износоустойчивость – не менее 500 циклов перемещения ползунка.
Переменные резисторы СП5-20В устойчивы к вибрационным нагрузкам в диапазоне частот 1-5000Гц (амплитуда ускорения 200 м/с2), механическим ударам однократного (ускорение до 1 500 м/с2) и многократного действия (ускорение до 750 м/с2).
Предназначены для эксплуатации в цепях постоянного, переменного и пульсирующего тока, обеспечивая ограничение силы тока и распределение напряжения.
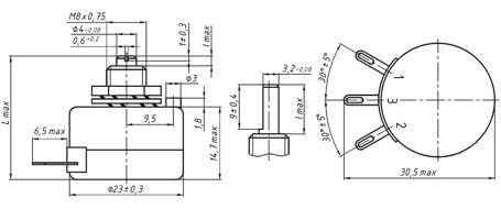
Дополнительные характеристики, а также габаритные и присоединительные размеры резисторов СП5-20В приведены ниже.
Гарантия работы поставляемых нашей компанией резисторов СП5-20В составляет 2 года. Это подкрепляется необходимыми документами по качеству.
Окончательная цена на резисторы СП5-20В зависит от количества, сроков поставки, производителя, страны происхождения и формы оплаты.
| Резисторы СП5-20В | ||||
| Серия | Цена | Сопротивление | Масса | Размеры D×L |
| СП5-20ВА (4,7 Ом – 15 Ом) |
по запросу | 4,7 Ом – 15 Ом | 16,5 г | 23×25 мм |
| СП5-20ВА (22 Ом – 22 кОм) |
по запросу | 22 Ом – 22 кОм | 16,5 г | 23×25 мм |
| СП5-20ВБ (4,7 Ом – 15 Ом) |
по запросу | 4,7 Ом – 15 Ом | 17,5 г | 23×33 мм |
| СП5-20ВБ (22 Ом – 22 кОм) |
по запросу | 22 Ом – 22 кОм | 17,5 г | 23×33 мм |
| СП5-20ВВ (4,7 Ом – 15 Ом) |
по запросу | 4,7 Ом – 15 Ом | 18,0 г | 23×37 мм |
| СП5-20ВВ (22 Ом – 22 кОм) |
по запросу | 22 Ом – 22 кОм | 18,0 г | 23×37 мм |
Маркировка резисторов СП5-20В:
| СП | 5 | – | 20ВБ |
| СП | – | Подстроечный резистор с круговым перемещением подвижной системы. |
| 5 | – | Проволочный тип резистора. |
| 20ВБ | – | Типономинал резистора. |
Габаритные размеры подстроечных резисторов СП5-20В:
| Серия | L, мм | l, мм | Масса, г |
| СП5-20ВА | 25 мм | 2 мм | 16,5 г |
| СП5-20ВБ | 33 мм | 10 мм | 17,5 г |
| СП5-20ВВ | 37 мм | 14 мм | 18,0 г |
Технические характеристики регулировочных резисторов СП5-20В:
| Резисторы СП5-20В | ||
| Тип регулятора | Однооборотный с круговым перемещением подвижной системы | |
| Функциональная характеристика | Линейная А | |
| Диапазон сопротивлений | 4,7 Ом – 22 кОм | |
| Допустимое отклонение сопротивления | ±5%, ±10% | |
| Предельное рабочее напряжение | 250 В | |
| Номинальная мощность при температуре до 85°C | 2 Вт | |
| Диапазон рабочих температур | -60°С – +80°С | |
| Относительная влажность воздуха при t=25°С | 98% | |
| Атмосферное давление | 0,7 – 294,2 кПа | |
| Исполнение | всеклиматическое | |
| Синусоидальная вибрация | диапазон частот | 1 – 5000 Гц |
| амплитуда ускорений | 200 м/с2 | |
| Механические удары | одиночные | 1 500 м/с2 |
| многократные | 750 м/с2 | |
| Линейное ускорение | 1 0000 м/с2 | |
| Сопротивление изоляции | ≥5000 МОм | |
| Износоустойчивость | 500 циклов | |
| Минимальная наработка | 40 000 ч | |
Рекомендуем посмотреть:
















Комментарии к продукции, отзывы: