Резисторы СП5-35
Резисторы СП5-35 – переменные проволочные подстроечные резисторы, потенциометры, мощностью 0,5Вт и 1Вт с линейной зависимостью А и диапазоном регулировки 68 Ом – 22 кОм.
Резисторы СП5-35 относятся к однооборотным резисторам с круговым перемещением подвижной системы.
Допустимое отклонение сопротивления ±10%. Стабильность коэффициента передачи ±0,1% и ±0,2%. Резисторы имеют приемку "ОТК" и "ПЗ".
Рабочая повышенная температура среды не превышает +70°С, пониженная – до -60°С. Износоустойчивость – не менее 5000 циклов перемещения ползунка.
Переменные резисторы СП5-35 устойчивы к вибрационным нагрузкам в диапазоне частот 1-600Гц (амплитуда ускорения 100 м/с2), механическим ударам многократного действия (ускорение до 1000 м/с2).
Предназначены для эксплуатации в цепях постоянного, переменного и пульсирующего тока, обеспечивая ограничение силы тока и распределение напряжения.
Дополнительные характеристики, а также габаритные и присоединительные размеры резисторов СП5-35 приведены ниже.
Гарантия работы поставляемых нашей компанией резисторов СП5-35 составляет 2 года. Это подкрепляется необходимыми документами по качеству.
Окончательная цена на резисторы СП5-35 зависит от количества, сроков поставки, производителя, страны происхождения и формы оплаты.
Маркировка резисторов СП5-35:
| СП | 5 | – | 35Б |
| СП | – | Подстроечный резистор с круговым перемещением подвижной системы. |
| 5 | – | Проволочный тип резистора. |
| 35Б | – | Типономинал резистора. |
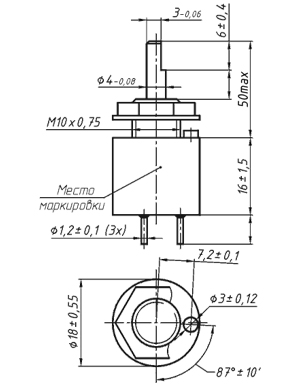
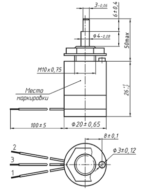
Габаритные размеры подстроечных резисторов СП5-35:
Технические характеристики регулировочных резисторов СП5-35:
| Резисторы СП5-35 | ||
| Тип регулятора | Однооборотный с круговым перемещением подвижной системы | |
| Функциональная характеристика | Линейная А | |
| Диапазон сопротивлений | СП5-35А | 68 Ом – 22 кОм |
| СП5-35Б | 68 Ом – 15 кОм | |
| Допустимое отклонение сопротивления | ±10% | |
| Предельное рабочее напряжение | СП5-35А | 130 В |
| СП5-35Б | 80 В | |
| Номинальная мощность рассеяния | СП5-35А | 1,0 Вт |
| СП5-35Б | 0,5 Вт | |
| Диапазон рабочих температур | -60°С – +70°С | |
| Относительная влажность воздуха при t=35°С | 98% | |
| Атмосферное давление | 70 – 147 кПа | |
| Синусоидальная вибрация | диапазон частот | 1 – 600 Гц |
| амплитуда ускорений | 100 м/с2 | |
| Механические многократные удары | ускорение | 100 м/с2 |
| число ударов | 10 000 | |
| Линейное ускорение | 100 м/с2 | |
| Угол поворота подвижной системы | 620±10° | |
| Сопротивление изоляции | ≥500 МОм | |
| Износоустойчивость | 5 000 циклов | |
| Минимальная наработка | 25 000 ч | |
Фото переменных подстроечных резисторов СП5-35:
Рекомендуем посмотреть:



















Комментарии к продукции, отзывы: