Резисторы ПП3-40, ПП3-41, ПП3-42, ПП3-43
Одинарные резисторы ПП3-40, ПП3-41, ПП3-42, ПП3-43 – однооборотные переменные проволочные регулировочные резисторы, потенциометры, мощностью 3Вт с линейной зависимостью А и диапазоном регулировки 4,7 Ом – 20 кОм.
Регулировка сопротивления резисторов переменных ПП3 осуществляется изменением положения подвижного ползункового контакта вдоль керамического стержня, на который намотана константановая или манганиновая проволока.
Допустимое отклонение сопротивления ±5% и ±10%. Резисторы имеют приемку "ОТК" и "ПЗ".
Рабочая повышенная температура среды не превышает +155°С, пониженная – до -60°С. Сопротивление изоляции проволочных резисторов ПП3 составляет не менее 100 МОм. Износоустойчивость – до 10 000 циклов перемещения ползунка.
Переменные резисторы ПП3 устойчивы к вибрационным нагрузкам в диапазоне частот 5-2500Гц (амплитуда ускорения 1,5 мм), механическим ударам однократного (ускорение до 1500 м/с2) и многократного действия (ускорение до 350 м/с2).
Предназначены для эксплуатации в цепях постоянного или переменного тока, обеспечивая ограничение силы тока и распределение напряжения.
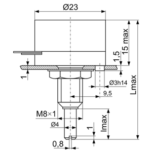
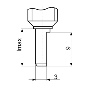
Дополнительные характеристики, а также габаритные и присоединительные размеры резисторов ПП3-40, ПП3-41, ПП3-42, ПП3-43 значатся в таблицах ниже.
Гарантия работы поставляемых нашей компанией резисторов ПП3 составляет 2 года. Это подкрепляется необходимыми документами по качеству.
Окончательная цена на резисторы ПП3 зависит от количества, сроков поставки, производителя, страны происхождения и формы оплаты.
| Резисторы ПП3-40...43 | ||||
| Тип регулятора | Однооборотный | |||
| Мощность | 3 Вт | |||
| Функциональная характеристика | Линейная А | |||
| Допустимое отклонение сопротивления | ±5%, ±10% | |||
| Сопротивление изоляции, не менее | 100 МОм | |||
| Диапазон рабочих температур | -60°С – +155°С | |||
| Износоустойчивость | 4,7 Ом – 10 кОм | 10 000 циклов | ||
| 15 кОм – 20 кОм | 6 000 циклов | |||
| Серия | Цена | Диапазон сопротивлений | Масса | Габариты Lmax×lmax |
| ПП3-40 | по запросу | 4,7 Ом – 20 кОм | 13,5 г | 37,5×10 мм |
| ПП3-41 | по запросу | 14,0 г | 37,5×10 мм | |
| ПП3-42 | по запросу | 13,5 г | 37,5×10 мм | |
| ПП3-43 | по запросу | 13,5 г | 29,5×2 мм | |
Маркировка одинарных резисторов ПП3:
| ПП | 3 | – | 43 |
| ПП | – | Переменный проволочный регулировочный резистор. |
| 3 | – | Проволочный тип резистора. |
| 43 | – | Типономинал резистора. |
Габаритные размеры одинарных регулировочных резисторов ПП3:
Фото переменных проволочных резисторов ПП3:
Рекомендуем посмотреть:

















-s.jpg)







Комментарии к продукции, отзывы: