Переключатели галетные RCL371
Переключатель галетный RCL371 – галетный поворотный переключатель (галетник), коммутирующий цепи сигнализации и управления с напряжением постоянного тока до 30В, силой тока до 0,5А и коммутируемой мощностью до 15Вт.
Переключатель RCL371 предназначен для поворотного переключения контактов, расположенных на неподвижных галетах (платах). Количество галет (секций) – от 1-й до 12-ти, количество положений вала переключателя варьируется от 2-х до 12-и, а количество направлений цепи (полюсов) – от 1-го до 56-ти.
Крепятся переключатели путем фиксации осевого основания в отверстии панели с помощью резьбы и гайки переключателя. Для предотвращения проворачивания переключателя в панели служит фиксатор на его корпусе, сочленяемый с отверстием в панели. Вал переключателя плоский, D-образный, изготовлен из латуни.
Монтаж проводников осуществляется с помощью пайки. Контакты посеребренные, сопротивление контактов не более 0,025 Ом.
Для максимального удобства переключений применяются специальные приборные ручки серий RR4811, RR4817, RR4836, RR4853 в различном цветовом исполнении – желтые, зеленые, красные, оранжевые и синие.
Повышенная рабочая температура среды составляет не более +70°С, пониженная рабочая температура – не ниже -20°С. Сопротивление изоляции составляет не менее 100 МОм. Ресурс переключений – 10 000.
Применяются галетники RCL371 в устройствах компьютерной периферии и телекоммуникации, в системах громкоговорящей связи, Hi-End высококлассной аудиоаппаратуре и других устройствах.
Более подробные характеристики, визуально-текстовая расшифровка маркировки, устройство, габаритные и установочные размеры переключателей RCL371, а также виды галет (секций) и применяемые приборные ручки указаны ниже.
Гарантийный срок работы поставляемых нашей компанией галетных переключателей RCL371 составляет 2 года, что подкрепляется соответствующими документами по качеству.
Окончательная цена на переключатели RCL371 зависит от количества, сроков поставки, производителя, страны происхождения и формы оплаты.
| Переключатели галетные RCL371 | |||
| Режимы коммутации | напряжение | 30 В | |
| ток | 0,5 А | ||
| Предельное напряжение | 500 В переменного тока в минуту | ||
| Сопротивление контактов, не более | 0,025 Ом | ||
| Сопротивление изоляции, не менее | 100 МОм | ||
| Момент переключения | 1 – 3 галеты | 0,1 – 0,3 Н·м | |
| более 3 галет | 0,15 – 0,45 Н·м | ||
| Материалы | вал переключения | латунь | |
| лепесток | серебро | ||
| задняя крышка | сталь | ||
| Диапазон рабочих температур | -20°С – +70°С | ||
| Ресурс | 10 000 переключений | ||
| Серия | Цена | Серия | Цена |
| RCL371-1-1-8 | по запросу | RCL371-3-3-8 | по запросу |
| RCL371-1-1-12 | по запросу | RCL371-3-3-12 | по запросу |
| RCL371-1-2-5 | по запросу | RCL371-3-6-6 | по запросу |
| RCL371-1-2-6 | по запросу | RCL371-3-9-4 | по запросу |
| RCL371-1-3-4 | по запросу | RCL371-3-12-3 | по запросу |
| RCL371-1-4-3 | по запросу | RCL371-3-24-2 | по запросу |
| RCL371-1-8-2 | по запросу | RCL371-4-4-8 | по запросу |
| RCL371-2-2-8 | по запросу | RCL371-4-4-12 | по запросу |
| RCL371-2-2-12 | по запросу | RCL371-4-8-6 | по запросу |
| RCL371-2-4-6 | по запросу | RCL371-4-12-4 | по запросу |
| RCL371-2-6-4 | по запросу | RCL371-4-16-3 | по запросу |
| RCL371-2-8-3 | по запросу | RCL371-4-28-2 | по запросу |
| RCL371-2-16-2 | по запросу | RCL371-4-32-2 | по запросу |
| Приборные ручки для переключателей RCL371 | |||||||
| Серия | Цена | Цвет | Серия | Цена | Цвет | ||
![]() RR4811 |
по запросу | желтый | ![]() RR4836 |
по запросу | желтый | ||
| зеленый | зеленый | ||||||
| красный | красный | ||||||
| оранжевый | оранжевый | ||||||
| синий | синий | ||||||
![]() RR4817 |
по запросу | желтый | ![]() RR4853 |
по запросу | желтый | ||
| зеленый | зеленый | ||||||
| красный | красный | ||||||
| оранжевый | оранжевый | ||||||
| синий | синий | ||||||
Маркировка переключателей галетных RCL371:
| RCL371 | - | 3 | - | 24 | - | 2 |
| RCL371 | – | Серия галетного переключателя. |
| 3 | – | Количество галет (секций): 1, 2, 3, 4. |
| 24 | – | Количество направлений (полюсов): 1, 2, 3, 4, 6, 8, 9, 12, 16, 24, 28, 32. |
| 2 | – | Количество положений (позиций): 2, 3, 4, 5, 6, 8, 12. |
| Количество галет | Количество направлений | Количество положений | Размер L (см. чертеж) |
Количество галет | Количество направлений | Количество положений | Размер L (см. чертеж) |
|
| 1 галета | 8 | 2 | 3,6 мм | 5 галет | 40 | 2 | 18 мм | |
| 4 | 3 | 20 | 3 | |||||
| 3 | 4 | 15 | 4 | |||||
| 2 | 5~6 | 10 | 5~6 | |||||
| 1 | 7~12 | 5 | 7~12 | |||||
| 2 галеты | 16 | 2 | 7,2 мм | 7 галет | 56 | 2 | 25,2 мм | |
| 8 | 3 | 28 | 3 | |||||
| 6 | 4 | 21 | 4 | |||||
| 4 | 5~6 | 14 | 5~6 | |||||
| 2 | 7~12 | 7 | 7~12 | |||||
| 3 галеты | 24 | 2 | 10,8 мм | 9 галет | - | - | 32,4 мм | |
| 12 | 3 | 36 | 3 | |||||
| 9 | 4 | 27 | 4 | |||||
| 6 | 5~6 | 18 | 5~6 | |||||
| 3 | 7~12 | 9 | 7~12 | |||||
| 4 галеты | 28 или 32 | 2 | 14,4 мм | 12 галет | - | - | 43,2 мм | |
| 16 | 3 | 48 | 3 | |||||
| 12 | 4 | 36 | 4 | |||||
| 8 | 5~6 | 24 | 5~6 | |||||
| 4 | 7~12 | 12 | 7~12 |
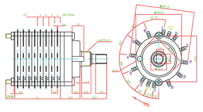
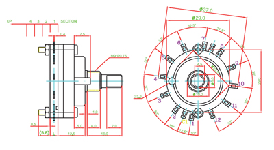
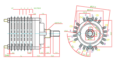
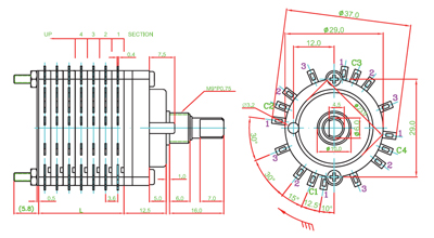
Устройство и размеры переключателей галетных RCL371:
Виды галет и размеры переключателей RCL371:
| На 2 положения | |
![]() |
![]() |
| На 3 положения | |
![]() |
![]() |
| На 4 положения | |
![]() |
![]() |
| На 5~6 положений | |
![]() |
![]() |
| На 7~12 положений | |
![]() |
![]() |
| На X положений | |
![]() |
![]() |
Рекомендуем посмотреть:











































Комментарии к продукции, отзывы: