Антивандальные индикаторы LAS1, LAS2
Антивандальные индикаторы LAS1, LAS2 – индикаторные светодиодные источники света с улучшенными техническими характеристиками, рассчитаны на номинальное напряжение 12В.
Конструктивно антивандальные индикаторы LAS1, LAS2 состоят из индикаторного модуля, корпуса из никелированной латуни или нержавеющей стали, контактного блока, к которому с помощью пайки или разъёмов типа "мама" подсоединяются проводники, и источника света.
В качестве источника света используются светодиодные индикаторы, которые характеризуются более низким потреблением электроэнергии, повышенной устойчивостью к вибрационным нагрузкам и значительно увеличенным сроком наработки – не менее 30 000 часов.
Подсветка выполнена в виде точки (обозначается буквой "D" в маркировке) или кольца (буква "E"). Цвет подсветки – синий, красный или желтый.
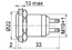
Антивандальные индикаторы LAS1, LAS2 фиксируются на панели с помощью резьбы и крепежной гайки. Посадочный диаметр – Ø16 или Ø19 мм.
Степень защиты представленных антивандальных индикаторов – IP67, IK10, поэтому применяются они в качестве индикаторных сигнализаторов аварийных ситуаций и других сигналов рабочего процесса на линиях различного оборудования в местах, где повышенный риск поломки в процессе эксплуатации. Например, системы мониторинга рабочего состояния линий электроэнергии или телекоммуникаций, конвейеры текстильного, полиграфического, шахтного оборудования и т.д.
Более подробные характеристики с приведением расшифровки маркировки, габаритные и установочные размеры антивандальных индикаторов LAS1 и LAS2 указаны ниже.
Гарантийный срок работы антивандальных индикаторов LAS1 и LAS2, поставляемых нашей компанией, составляет 2 года, прилагаются соответствующие документы качества.
Окончательная цена на антивандальные индикаторы LAS1, LAS2 зависит от количества, сроков поставки, производителя, страны происхождения и формы оплаты.
| Антивандальные индикаторы LAS1 | ||||||
| Фото | Серия (чертеж) |
Цена | Диаметр, мм |
Подсветка | Номинальное напряжение | Габаритные размеры |
![]() |
LAS1-GQ-D/B | 161,80 руб. | Ø19 мм | ![]() |
12 B | ![]() |
![]() |
LAS1-GQ-E/Y | 161,80 руб. | Ø19 мм | ![]() |
12 B | ![]() |
![]() |
LAS1-AGQ-D/R | 161,80 руб. | Ø19 мм | ![]() |
12 B | ![]() |
![]() |
LAS1-AGQ-E/B | 161,80 руб. | Ø19 мм | ![]() |
12 B | ![]() |
![]() |
LAS1-BGQ-D/R | 161,80 руб. | Ø19 мм | ![]() |
12 B | ![]() |
![]() |
LAS1-BGQ-E/B | 161,80 руб. | Ø19 мм | ![]() |
12 B | ![]() |
| Антивандальные индикаторы LAS2 | ||||||
| Фото | Серия (чертеж) |
Цена | Диаметр, мм |
Подсветка | Номинальное напряжение | Габаритные размеры |
![]() |
LAS2-GQF-D/B | 161,80 руб. | Ø16 мм | ![]() |
12 B | ![]() |
![]() |
LAS2-GQF-D/R | по запросу | Ø16 мм | ![]() |
12 B | ![]() |
![]() |
LAS2-GQF-E/B | по запросу | Ø16 мм | ![]() |
12 B | ![]() |
![]() |
LAS2-GQF-E/O | по запросу | Ø16 мм | ![]() |
12 B | ![]() |
![]() |
LAS2-GQH-D/B | 152,30 руб. | Ø16 мм | ![]() |
12 B | ![]() |
![]() |
LAS2-GQH-D/R | 161,80 руб. | Ø16 мм | ![]() |
12 B | ![]() |
![]() |
LAS2-GQH-E/B | 161,80 руб. | Ø16 мм | ![]() |
12 B | ![]() |
Маркировка индикаторов антивандальных серии LAS2, LAS2:
| LAS2 | - | GQ | H | - | E | / | R |
| LAS2 | – | Серия индикатора: LAS1, LAS2. |
| GQ | – | Тип индикатора: GQ, AGQ, BGQ. |
| H | – | Форма кнопки: F - плоская, H - выпуклая. |
| E | – | Форма подсветки: D - точка, E - кольцо. |
| B | – | Цвет подсветки: B - синяя, O - оранжевая, R - красная, Y - желтая. |
Маркировка подсветки индикаторов антивандальных серии LAS2:
| Маркировка | ![]() |
![]() |
![]() |
![]() |
![]() |
![]() |
![]() |
| Расшифровка | Точечная желтая подсветка | Точечная красная подсветка | Точечная синяя подсветка | Кольцевая желтая подсветка | Кольцевая красная подсветка | Кольцевая оранжевая подсветка | Кольцевая синяя подсветка |
Характеристики подсветки индикаторов антивандальных серии LAS2:
| Тип | LED лампа (AC/DC) |
|
||
| Цвет | ![]() |
|||
| Наработка | 40 000 ч | |||
| Номинальное напряжение | AC/DC 6 В | AC/DC 12 В | AC/DC 110 В | |
| AC/DC 24 В | AC/DC 36 В | AC/DC 220 В | ||
| Номинальный ток | 15 мА | 3 мА | ||
| Добавочный резистор | встроенный | внешний при лампе 6 В | ||
Возможно изготовление ламп с другим напряжением.
Установка герметического уплотнительного кольца:
Рекомендуем посмотреть:











































Комментарии к продукции, отзывы: