Лампочки накаливания в корпусе P-801...P-836
 
	
			
			Лампочки накаливания в корпусе P-801...P-836 – искусственные источники света в пластиковом корпусе, рассчитаны на питание от постоянного напряжения 6В, 12В или 24В.
Конструктивно лампочки накаливания в корпусе P-801...P-836 состоят из снимаемой прозрачной или окрашенной головки (зелёная, красная, синяя, жёлтая), контактного блока, к которому с помощью пайки или разъёмов типа "мама" подсоединяются проводники, и источника света, который представляет собой лампочку накаливания.
Лампочки накаливания в корпусе P-801...P-836 фиксируются на панели с помощью резьбы и крепежной гайки. Посадочный диаметр зависит от серии. Корпус изготавливается из полупрозрачного пластика, окрашенного в цвет свечения.
Рабочая повышенная температура среды не более +85°С, пониженная – не ниже -25°С, предельно допустимая относительная влажность при температуре +40°С – 98%, срок службы при этом не менее 30 000 ч.
Лампочки накаливания в корпусе P-801...P-836 наиболее часто используются в качестве индикаторных сигнализаторов аварийных ситуаций и других сигналов рабочего процесса на линиях различного оборудования (например, системы мониторинга рабочего состояния линий электроэнергии или телекоммуникаций, конвейеров текстильного, полиграфического, шахтного оборудования и т.д.).
Более подробные характеристики с приведением расшифровки маркировки, габаритные и установочные размеры, электрические схемы подключения лампочек накаливания в корпусе P-801...P-836 указаны ниже.
Гарантийный срок работы лампочек накаливания в корпусе P-801...P-836, поставляемых нашей компанией, составляет 2 года, прилагаются соответствующие документы качества.
Окончательная цена на лампочки накаливания в корпусе P-801...P-836 зависит от количества, сроков поставки, производителя, страны происхождения и формы оплаты.
Маркировка светодиодов в корпусе P-801 ... P-836:
| P | - | 836 | - | Y | 24v | 
| P | – | Тип сигнальной арматуры. | 
| 836 | – | Модификация корпуса. | 
| Y | – | Цвет индикатора: Y - желтый. | 
| 24v | – | Рабочее напряжение. | 
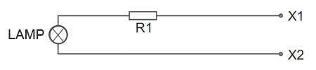
Схемы подключения лампочек накаливания P-801 ... P-836:
Рекомендуем посмотреть:








































Комментарии к продукции, отзывы: