Реле герконовые РПГ
Реле герконовые РПГ-2, РПГ-3, РПГ-5, РПГ-6, РПГ-8, РПГ-9 – коммутируют цепи постоянного и переменного токов частотой пульсации от 300Гц, напряжением от 0,05В до 380В с номинальной нагрузкой по току от 1×10-6А до 4А и коммутируемой мощностью 9Вт - 440Вт.
Напряжение катушки может составлять 5В, 12В, 24В, 110В постоянного тока. Конструкция реле РПГ предусматривает от 1 до 4 замыкающих контактов, а также 1 или 2 переключающих контакта.
Способ крепления – на плату для печатного монтажа, винтовое, через отверстия в панели или при помощи защелок.
Степень защиты реле РПГ – IP30. Полную расшифровку маркировки реле РПГ смотрите ниже таблицы с основными характеристиками.
Гарантия работы поставляемых нашей компанией реле РПГ составляет 2 года. Это подкрепляется необходимыми документами по качеству.
Окончательная цена на реле РПГ зависит от количества, сроков поставки, производителя, страны происхождения и формы оплаты.
|  | Диапазон коммутируемых токов | 1×10-3...0,5 А | |||
| Номинальный ток контактов | 0,5 А | ||||
| Диапазон коммутируемых напряжений | 6...180 В | ||||
| Номинальное напряжение контактов | 180 В | ||||
| Максимальная коммутируемая мощность | 9 Вт | ||||
| Коммутируемая нагрузка | активная и малоиндуктивная | ||||
| Время срабатывания реле | 0,3...1 мс | ||||
| Серия/Паспорт | Цена | Номинальное напряжение катушки | Потребляемая мощность | Число контактов | Габариты L×B×H | 
| РПГ-2-2201 –12В | 161,70 руб. | 12 В | 0,15 Вт | 1з. | 34,5×16,5×19,5 мм | 
| РПГ-2-2202 –12В | 93,60 руб. | 12 В | 0,3 Вт | 2з. | 34,5×19,0×19,5 мм | 
| РПГ-2К-2202 –12В | 70,76 руб. | 12 В | 0,3 Вт | 2з. | 34,5×19,0×19,5 мм | 
| РПГ-2-2201 –15В | 121,30 руб. | 15 В | 0,15 Вт | 1з. | 34,5×16,5×19,5 мм | 
| РПГ-2К-2201 –15В | 121,30 руб. | 15 В | 0,15 Вт | 1з. | 34,5×16,5×19,5 мм | 
| РПГ-2-2201 –24В | по запросу | 24 В | 0,15 Вт | 1з. | 34,5×16,5×19,5 мм | 
| РПГ-2-2202 –24В | 161,70 руб. | 24 В | 0,3 Вт | 2з. | 34,5×19,0×19,5 мм | 
| РПГ-2-2203 –24В | 203,60 руб. | 24 В | 0,4 Вт | 3з. | 34,5×24,0×19,5 мм | 
| РПГ-2К-2201 –24В | 303,30 руб. | 24 В | 0,15 Вт | 1з. | 34,5×16,5×19,5 мм | 
| РПГ-2М-2201 –24В | по запросу | 24 В | 0,15 Вт | 1з. | 34,5×16,5×19,5 мм | 
Маркировка реле РПГ-2:
| РПГ | - | 2 | К | - | 2 | 2 | 01 | –24В | 
| РПГ | – | Реле промежуточное герконовое. | 
| 2 | – | Номер серии: 2. | 
| К | – | Модификация реле для определенных климатических условий: К, М. | 
| 2 | – | Вид крепления и способ присоединения внешних проводов: 2 - пайкой на печатный монтаж. | 
| 2 | – | Тип геркона: 2 - КЭМ-2А ОДО.360.038 ТУ. | 
| 01 | – | Число замыкающих контактов реле: 01 - 1з.; 02 - 2з.; 03 - 3з. | 
| –24В | – | Номинальное напряжение катушки (постоянный ток): 12В, 15В, 24В. | 
Количество контактов и схема электрическая принципиальная геркновых реле РПГ-2:
- 
				  
   
 РПГ-2-2201
- 
				   
   
 РПГ-2-2202
- 
				   
   
 РПГ-2-2203
|  | Диапазон коммутируемых токов | 5×10-6...1,0 А | |||
| Номинальный ток контактов | 1,0 А | ||||
| Диапазон коммутируемых напряжений | 5×10-2...36 В | ||||
| Номинальное напряжение контактов | 36 В | ||||
| Максимальная коммутируемая мощность | 30 Вт | ||||
| Коммутируемая нагрузка | активная и малоиндуктивная | ||||
| Время срабатывания реле | 1,5 мс | ||||
| Серия/Паспорт | Цена | Номинальное напряжение катушки | Потребляемая мощность | Число контактов | Габариты L×B×H | 
| РПГ-3-2302 –12В | по запросу | 12 В | 0,25 Вт | 2п. | 38,0×22,0×21,5 мм | 
| РПГ-3К-2302 –12В | 363,90 руб. | 12 В | 0,25 Вт | 2п. | 38,0×22,0×21,5 мм | 
| РПГ-3-2302 –24В | 404,40 руб. | 24 В | 0,45 Вт | 2п. | 38,0×22,0×21,5 мм | 
| РПГ-3К-2302 –24В | по запросу | 24 В | 0,45 Вт | 2п. | 38,0×22,0×21,5 мм | 
Маркировка реле РПГ-3:
| РПГ | - | 3 | К | - | 2 | 3 | 02 | –24В | 
| РПГ | – | Реле промежуточное герконовое. | 
| 3 | – | Номер серии: 3. | 
| К | – | Модификация реле для определенных климатических условий: К. | 
| 2 | – | Вид крепления и способ присоединения внешних проводов: 2 - пайкой на печатный монтаж. | 
| 3 | – | Тип геркона: 3 - КЭМ-3 ОДО 360.05 ТУ. | 
| 02 | – | Число переключающих контактов реле: 02 - 2п. | 
| –24В | – | Номинальное напряжение катушки (постоянный ток): 12В, 24В. | 
Количество контактов и схема электрическая принципиальная геркновых реле РПГ-3:
- 
				   
   
 РПГ-3-2302
|  | Диапазон коммутируемых токов | 1×10-6...1,0 А | |||
| Номинальный ток контактов | 1,0 А | ||||
| Диапазон коммутируемых напряжений | 0,05...250 В | ||||
| Номинальное напряжение контактов | 220 В | ||||
| Максимальная коммутируемая мощность | 30 Вт | ||||
| Коммутируемая нагрузка | активная и малоиндуктивная | ||||
| Время срабатывания реле | 2 мс | ||||
| Серия/Паспорт | Цена | Номинальное напряжение катушки | Потребляемая мощность | Число контактов | Габариты L×B×H | 
| РПГ-5-2110 –12В | по запросу | 12 В | 0,25 Вт | 1з. | 62,0×19,0×22,5 мм | 
| РПГ-5-2110 –24В | по запросу | 24 В | 0,25 Вт | 1з. | 62,0×19,0×22,5 мм | 
| РПГ-5-2120 –24В | 202,20 руб. | 24 В | 0,4 Вт | 2з. | 62,0×24,0×22,5 мм | 
Маркировка реле РПГ-5:
| РПГ | - | 5 | - | 2 | 1 | 1 | 0 | –24В | 
| РПГ | – | Реле промежуточное герконовое. | 
| 5 | – | Номер серии: 5. | 
| 2 | – | Вид крепления и способ присоединения внешних проводов: 2 - пайкой на печатный монтаж. | 
| 1 | – | Тип геркона: 1 - КЭМ-1 ОДО.360.037 ТУ. | 
| 1 | – | Число замыкающий контактов реле: 1з., 2з. | 
| 0 | – | Число размыкающих контактов реле: 0р. | 
| –24В | – | Номинальное напряжение катушки (постоянный ток): 12В, 24В. | 
Количество контактов и схема электрическая принципиальная геркновых реле РПГ-5:
- 
				   
   
 РПГ-5-2110
- 
				  
   
 РПГ-5-2120
|  | Диапазон коммутируемых токов | 1×10-6...0,1 А | |||
| Номинальный ток контактов | 0,1 А | ||||
| Диапазон коммутируемых напряжений | 0,05...100 В | ||||
| Номинальное напряжение контактов | 100 В | ||||
| Максимальная коммутируемая мощность | 12 Вт | ||||
| Коммутируемая нагрузка | активная и малоиндуктивная | ||||
| Время срабатывания реле | 0,6 мс | ||||
| Серия/Паспорт | Цена | Номинальное напряжение катушки | Потребляемая мощность | Число контактов | Габариты L×B×H | 
| РПГ-6-2401 –5В | 202,20 руб. | 5 В | 0,25 Вт | 1з. | 20,0×9,7×14,7 мм | 
| РПГ-6-2401 –12В | 202,20 руб. | 12 В | 0,25 Вт | 1з. | 20,0×9,7×14,7 мм | 
| РПГ-6-2401 –15В | по запросу | 15 В | 0,25 Вт | 1з. | 20,0×9,7×14,7 мм | 
| РПГ-6-2401 –24В | 188,50 руб. | 24 В | 0,25 Вт | 1з. | 20,0×9,7×14,7 мм | 
Маркировка реле РПГ-6:
| РПГ | - | 6 | - | 2 | 4 | 01 | –24В | 
| РПГ | – | Реле промежуточное герконовое. | 
| 6 | – | Номер серии: 6. | 
| 2 | – | Вид крепления и способ присоединения внешних проводов: 2 - пайкой на печатный монтаж. | 
| 4 | – | Тип геркона: 4 - МК-10-3А ОДО.360.011 ТУ. | 
| 01 | – | Число замыкающих контактов реле: 01 - 1з. | 
| –24В | – | Номинальное напряжение катушки (постоянный ток): 5В, 12В, 15В, 24В. | 
Количество контактов и схема электрическая принципиальная герконовых реле РПГ-6:
- 
				    
   
 РПГ-6-2401
|  | Вид контактов | Замыкающие контакты | Переключающие контакты | ||
| Диапазон коммутируемых токов | 1×10-3...4 А | 1×10-3...2,5 А | |||
| Номинальный ток контактов | 4 А | 2,5 А | |||
| Диапазон коммутируемых напряжений | 6...380 В | 6...220 В | |||
| Номинальное напряжение контактов | 600 В | 380 В | |||
| Максимальная коммутируемая мощность | 440 Вт | ||||
| Коммутируемая нагрузка | активная и индуктивная | ||||
| Время срабатывания реле | 0,5...10 мс | ||||
| Серия/Паспорт | Цена | Номинальное напряжение катушки | Потребляемая мощность | Число контактов | Габариты L×B×H | 
| РПГ-8-2510 –12В | 121,30 руб. | 12 В | 1,6 Вт | 1з. | 62,5×20,0×24,0 мм | 
| РПГ-8-2601 –12В | 202,20 руб. | 12 В | 1,6 Вт | 1п. | 62,5×20,0×24,0 мм | 
| РПГ-8-2510 –15В | 121,30 руб. | 15 В | 1,4 Вт | 1з. | 62,5×20,0×24,0 мм | 
| РПГ-8-2510 –24В | 80,87 руб. | 24 В | 1,7 Вт | 1з. | 62,5×20,0×24,0 мм | 
Маркировка реле РПГ-8:
| РПГ | - | 8 | - | 2 | 5 | 1 | 0 | –24В | 
| РПГ | – | Реле промежуточное герконовое. | 
| 8 | – | Номер серии: 8. | 
| 2 | – | Вид крепления и способ присоединения внешних проводов: 2 - пайкой на печатный монтаж. | 
| 5 | – | Тип геркона: 5 - МКА-52202; 6 - МКС-52201. | 
| 1 | – | Число замыкающих контактов реле: 0 - 0з., 1 - 1з. | 
| 0 | – | Число переключающих контактов реле: 0 - 0п., 1 - 1п. | 
| –24В | – | Номинальное напряжение катушки (постоянный ток): 12В, 15В, 24В. | 
Количество контактов и схема электрическая принципиальная геркновых реле РПГ-8:
- 
				   
   
 РПГ-8-2510
- 
				   
   
 РПГ-8-2601
|  | Вид контактов | Замыкающие контакты | Переключающие контакты | ||
| Диапазон коммутируемых токов | 1×10-3...4 А | 1×10-3...2,5 А | |||
| Номинальный ток контактов | 4 А | 2,5 А | |||
| Диапазон коммутируемых напряжений | 6...380 В | 6...220 В | |||
| Номинальное напряжение контактов | 600 В | 380 В | |||
| Максимальная коммутируемая мощность | 440 Вт | ||||
| Коммутируемая нагрузка | активная и индуктивная | ||||
| Время срабатывания реле | 6...10 мс | ||||
| Серия/Паспорт | Цена | Номинальное напряжение катушки | Потребляемая мощность | Число контактов | Габариты L×B×H | 
| РПГ-9-05201 –12В | 202,20 руб. | 12 В | 2 Вт | 2з. | 91×30×70 мм | 
| РПГ-9-05401 –12В | по запросу | 12 В | 4 Вт | 4з. | 91×30×70 мм | 
| РПГ-9-15401 –12В | 707,60 руб. | 12 В | 4 Вт | 4з. | 91×30×70 мм | 
| РПГ-9-05011 –24В | 444,80 руб. | 24 В | 0,85 Вт | 1п. | 91×30×70 мм | 
| РПГ-9-05102 –24В | 121,30 руб. | 24 В | 1,45 Вт | 1з. | 91×30×70 мм | 
| РПГ-9-05201 –24В | 421,20 руб. | 24 В | 1,8 Вт | 2з. | 91×30×70 мм | 
| РПГ-9-05301 –24В | 606,50 руб. | 24 В | 2 Вт | 3з. | 91×30×70 мм | 
| РПГ-9-05401 –24В | по запросу | 24 В | 4 Вт | 4з. | 91×30×70 мм | 
| РПГ-9-15111 –24В | 202,20 руб. | 24 В | 1,3 Вт | 1з. + 1п. | 91×30×70 мм | 
| РПГ-9-15201 –24В | 202,20 руб. | 24 В | 1,8 Вт | 2з. | 91×30×70 мм | 
| РПГ-9-15301 –24В | 161,70 руб. | 24 В | 2 Вт | 3з. | 91×30×70 мм | 
| РПГ-9-15401 –24В | по запросу | 24 В | 4 Вт | 4з. | 91×30×70 мм | 
| РПГ-9-05301 –110В | по запросу | 110 В | 2,8 Вт | 3з. | 91×30×70 мм | 
| РПГ-9-15201 –110В | по запросу | 110 В | 2,5 Вт | 2з. | 91×30×70 мм | 
Маркировка реле РПГ-9:
| РПГ | - | 9 | - | 0 | 5 | 2 | 0 | 1 | –24В | 
| РПГ | – | Реле промежуточное герконовое. | 
| 9 | – | Номер серии: 9. | 
| 0 | – | Вид крепления и способ присоединения внешних проводов: 0 - винтами, заднее, пайкой; 1 - штепсельным разъемом, заднее, пайкой. | 
| 5 | – | Тип геркона: 5 - МКА-52202. | 
| 2 | – | Число замыкающих контактов реле: 0з., 1з., 2з., 3з., 4з. | 
| 0 | – | Число переключающих контактов реле: 0п., 1п. | 
| 1 | – | Число реле в одном габарите: 1; 2. | 
| –24В | – | Номинальное напряжение катушки (постоянный ток): 12В, 24В, 110В. | 
Количество контактов и схема электрическая принципиальная геркновых реле РПГ-9:
- 
				   
 РПГ-9-05011
 
- 
				   
 РПГ-9-05102
 
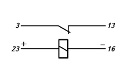
- 
				   
 РПГ-9-15111
 
- 
				   
 РПГ-9-05201
 РПГ-9-15201
- 
				   
 РПГ-9-05301
 РПГ-9-15301
- 
				   
 РПГ-9-05401
 РПГ-9-15401
Рекомендуем посмотреть:

















Комментарии к продукции, отзывы: