Амперметры М42303 постоянного тока
Амперметры М42303 — аналоговый измеритель постоянного тока. Предназначен для измерения силы тока в электрических цепях. Градуировка шкалы зависит от исполния, и может иметь диапазоны: для микроамперметра 0–1000 мкА; для миллиамперметра 0–600 мА; для амперметра 0–6000 А. При величине тока выше 20 ампер используется измерительный шунт.
Точность измерения амперметров М42303 составляет 2,5% или 4,0%. Приборы выпускаются с нулевой градуировкой как в начале шкалы, так и в середине.
Принцип действия амперметра М42303 основан на взаимодействии магнитного поля постоянного магнита с электрическим током, проходящим по обмотке рамки прибора.
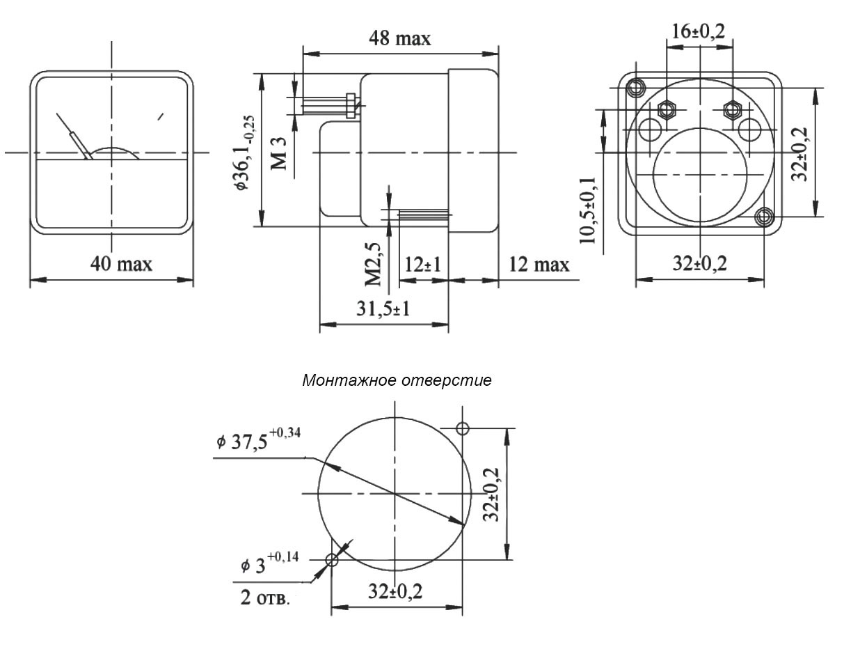
Амперметр выполнен в пластиковом корпусе, который защищает отсчетное устройство и магнитную систему прибора. Размеры корпуса 40х40 мм. Амперметр М42303 может устанавливаться как на вертикальные, так и на горизонтальные панели. Прибор устанавливается в круглый вырез диаметром Ø37,5 мм. Присоединительные размеры: 32х32 мм, 2 отв. Ø3,4 мм.
Характеристики микроамперметров М42303, миллиамперметров М42303, амперметров М42303 и килоамперметров М42303 значатся в таблицах. Гарантия работы поставляемых нашей компанией амперметров М42303 составляет 1 год. Это подкрепляется необходимыми документами по качеству.
Окончательная цена на амперметры М42303 зависит от количества, сроков поставки, производителя, страны происхождения и формы оплаты.
| Микроамперметр М42303 | |||||
| Применение | измерение постоянного тока | ||||
| Габариты, L×B×H | 40×40×48 мм | ||||
| Вырез в щите | Ø37,5 мм | ||||
| Класс точности | 2,5; 4,0 | ||||
| Степень защиты | IP50, IP54 | ||||
| Масса | 0,08 кг | ||||
| Положение установки | Вертикальное/горизонтальное | ||||
| Номинал | Цена | Номинал | Цена | Падение напряжения, не более | Способ включения |
| М42303 0-100мкА* | по запросу | М42303 100-0-100мкА** | по запросу | 420мВ*, 260мВ** | Непосредственный |
| М42303 0-150мкА | по запросу | М42303 150-0-150мкА | по запросу | 500мВ | |
| М42303 0-200мкА* | по запросу | М42303 200-0-200мкА** | по запросу | 520мВ*, 420мВ** | |
| М42303 0-300мкА | по запросу | М42303 300-0-300мкА | по запросу | 640мВ | |
| М42303 0-500мкА | по запросу | М42303 500-0-500мкА | по запросу | 300мВ | |
| М42303 0-1000мкА | по запросу | М42303 1000-0-1000мкА | по запросу | 530мВ | |
| Миллиамперметр М42303 | |||||
| Применение | измерение постоянного тока | ||||
| Габариты, L×B×H | 40×40×48 мм | ||||
| Вырез в щите | Ø37,5 мм | ||||
| Класс точности | 2,5; 4,0 | ||||
| Степень защиты | IP50, IP54 | ||||
| Масса | 0,08 кг | ||||
| Положение установки | Вертикальное/горизонтальное | ||||
| Номинал | Цена | Номинал | Цена | Падение напряжения, не более | Способ включения |
| М42303 0-0,5мА | по запросу | М42303 0,5-0-0,5мА | по запросу | 303мВ | Непосредственный |
| М42303 0-1мА | по запросу | М42303 1-0-1мА | по запросу | 605мВ | |
| М42303 0-5мА | по запросу | М42303 5-0-5мА | по запросу | 190мВ | |
| М42303 0-10мА | по запросу | М42303 10-0-10мА | по запросу | 75мВ | |
| М42303 0-15мА | по запросу | М42303 15-0-15мА | по запросу | 87мВ | |
| М42303 0-20мА | по запросу | М42303 20-0-20мА | по запросу | 90мВ | |
| М42303 0-30мА | по запросу | М42303 30-0-30мА | по запросу | 50мВ | |
| М42303 0-50мА | по запросу | М42303 50-0-50мА | по запросу | 95мВ | |
| М42303 0-100мА | по запросу | М42303 100-0-100мА | по запросу | ||
| М42303 0-150мА | по запросу | М42303 150-0-150мА | по запросу | ||
| М42303 0-300мА | по запросу | М42303 300-0-300мА | по запросу | ||
| М42303 0-500мА | по запросу | М42303 500-0-500мА | по запросу | ||
| М42303 0-600мА | по запросу | М42303 600-0-600мА | по запросу | ||
| М42303 0-30/600мА | по запросу | М42303 30/600-0-30/600мА | по запросу | 105мВ | |
| М42303 0-50мА/20 В | по запросу | – | – | 68мВ | |
| Амперметр М42303 | |||||
| Применение | измерение постоянного тока | ||||
| Габариты, L×B×H | 40×40×48 мм | ||||
| Вырез в щите | Ø37,5 мм | ||||
| Класс точности | 2,5; 4,0 | ||||
| Степень защиты | IP50, IP54 | ||||
| Масса | 0,08 кг | ||||
| Положение установки | Вертикальное/горизонтальное | ||||
| Номинал | Цена | Номинал | Цена | Падение напряжения, не более | Способ включения |
| М42303 0-1А | по запросу | М42303 1-0-1А | по запросу | 95мВ | Непосредственный |
| М42303 0-2А | по запросу | М42303 2-0-2А | по запросу | ||
| М42303 0-3А | по запросу | М42303 3-0-3А | по запросу | ||
| М42303 0-5А | по запросу | М42303 5-0-5А | по запросу | ||
| М42303 0-10А | по запросу | М42303 10-0-10А | по запросу | ||
| М42303 0-20А | по запросу | М42303 20-0-20А | по запросу | 75мВ | С шунтом класса точности 0,5 и калиброваными проводами сопротивлением 0,035Ом |
| М42303 0-30А | по запросу | М42303 30-0-30А | по запросу | ||
| М42303 0-50А | по запросу | М42303 50-0-50А | по запросу | ||
| М42303 0-75А | по запросу | М42303 75-0-75А | по запросу | ||
| М42303 0-100А | по запросу | М42303 100-0-100А | по запросу | ||
| М42303 0-150А | по запросу | М42303 150-0-150А | по запросу | ||
| М42303 0-200А | по запросу | М42303 200-0-200А | по запросу | ||
| М42303 0-300А | по запросу | М42303 300-0-300А | по запросу | ||
| М42303 0-500А | по запросу | М42303 500-0-500А | по запросу | ||
| М42303 0-750А | по запросу | М42303 750-0-750А | по запросу | ||
| — | – | М42303 200-0-750А | по запросу | ||
| Килоамперметр М42303 | |||||
| Применение | измерение постоянного тока | ||||
| Габариты, L×B×H | 40×40×48 мм | ||||
| Вырез в щите | Ø37,5 мм | ||||
| Класс точности | 2,5; 4,0 | ||||
| Степень защиты | IP50, IP54 | ||||
| Масса | 0,08 кг | ||||
| Положение установки | Вертикальное/горизонтальное | ||||
| Номинал | Цена | Номинал | Цена | Падение напряжения, не более | Способ включения |
| М42303 0-1кА | по запросу | М42303 1-0-1кА | по запросу | 75мВ | С шунтом класса точности 0,5 и калиброваными проводами сопротивлением 0,035Ом |
| М42303 0-1,5кА | по запросу | М42303 1,5-0-1,5кА | по запросу | ||
| М42303 0-2кА | по запросу | М42303 2-0-2кА | по запросу | ||
| М42303 0-4кА | по запросу | М42303 4-0-4кА | по запросу | ||
| М42303 0-6кА | по запросу | М42303 6-0-6кА | по запросу | ||
Расшифровка маркировки стрелочных амперметров М42303:
| М42303 | 0-30 мА |
| М42303 | – | Серия прибора. |
| 0-30 мА | – | Диапазон измерений: 0-30 мА – с нулевой отметкой на краю диапазона; 30-0-30 мА – с нулевой отметкой внутри диапазона. |
Условия эксплуатации аналоговых амперметров М42303:
| Серия | М42303 | |
| Рабочая температура, относительная влажность 95% при температуре +35 °C | -50 °C — +60 °C | |
| Вибропрочность | ускорение | 5–30 м/с2 |
| частота | 10–70 Гц | |
| Ударопрочность | ускорение | 100 м/с2 |
| 2000 ударов с частотой | 80–120 ударов в минуту | |
Габаритные и установочные размеры амперметров М42303:
Рекомендуем посмотреть:














Комментарии к продукции, отзывы: