Разъем РШАГПБ-14 розетка в приборном корпусе
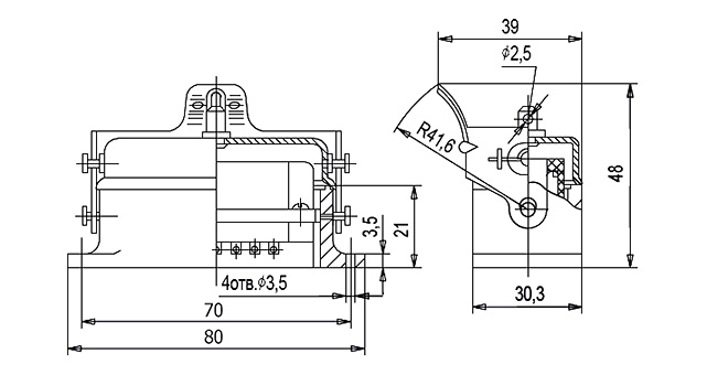
Разъем РШАГПБ-14 – 14-ти контактная приборная розетка. Разъем имеет габаритные размеры: 80×39×48 мм. Рабочая токовая нагрузка на каждый контакт – до 6 А, на соединитель в целом – до 84 А при напряжении до 700 В. Предназначен для работы в электрических цепях постоянного, переменного (частотой до 3 МГц) и импульсного тока.
Материал штырей контактов розетки – серебро. Соединители, имеющие кабельные корпуса (кроме проходных), изготавливаются в пылебрызгозащищенном исполнении с уплотненной прокладкой, комплектуются металлическими или пластмассовыми заглушками. Соединители без корпуса предназначены для внутреннего монтажа, в корпусном исполнении – для наружного монтажа.
Возможны небольшие несовпадения букв в конце маркировки, нанесенной на соединители. Это связано с унификацией производства разъёмов: некоторые детали корпусов разъёмов могут переставляться с одной части на другую.
Подробные характеристики, расшифровка обозначений маркировки, размеры РШАГПБ-14 смотрите ниже. Гарантия безотказной работы поставляемых нашей компанией соединителей составляет 2 года с момента их покупки. Предоставляем паспорта качества, этикетки (оговаривается при заказе).
Окончательная цена на соединитель РШАГПБ-14 зависит от количества приобретаемых изделий, сроков закрытия заказа, производителя, страны происхождения и формы оплаты.
Технические характеристики соединителя РШАГПБ-14:
| Тип соединителя | РШАГ | ||
| Количество контактов | 14 | ||
| Шаг контактов в ряду | 5,5 мм | ||
| Шаг между рядами | 13 мм | ||
| Максимальной рабочее напряжение, не более | 700 В | ||
| Рабочий ток на каждый контакт соединителя при его равномерной нагрузке, не более | 6 А | ||
| Сопротивление контакта, не более | 10 мОм | ||
| Сопротивление изоляции в нормальных климатических условиях, не менее | 5000 МОм | ||
| Электрическая прочность изоляции, не менее | 2100 В | ||
| Синусоидальная вибрация | в диапазоне частот | 1-200 Гц | |
| с ускорением | 10g | ||
| Количество сочленений-расчленений | 1000 | ||
| Гамма-процентная минимальная наработка до отказа | 5000 часов | ||
| Климатическое исполнение по ГОСТ В 20.39.404-81 | УХЛ, В | ||
| Температура окружающей среды | от -60°С до +85°С | ||
| Максимальная влажность воздуха при t=35°С | 98 % | ||
| Минимальное рабочее атмосферное давление | 1·10-12 мм рт. ст. | ||
| Гамма-процентный срок сохраняемости | УХЛ | 20 лет | |
| В | 15 лет | ||
| Масса | с заглушкой | 110 г | |
| без заглушки | 94 г | ||
Расшифровка обозначений маркировки соединителей типа РШАГ:
| РША | Г | ПБ | – | 14 | – | 1 | – | У | – | (В, О) | – | М |
| РША | – | Тип разъема - соединитель штепсельный типа А. |
| Г | – | Вид соединителя: Г - розетка (гнездо), В - вилка. |
| ПБ | – | Конструктивное исполнение: ПБ - приборная часть; КП - кабельная прямая часть; ПР - кабельная проходная часть; КУ - кабельная угловая часть. |
| У | – | Форма кожуха (вид патрубка): П - прямая, У - угловая, без буквы - патрубок отсутствует. |
| 14 | – | Количество контактов: 6, 8, 10, 14, 20. |
| 1 | – | Количество втулок в корпусе: 1, 2, 3. |
| У | – | Наличие укороченной втулки. |
| В | – | Всеклиматическое исполнение (для ОТК). |
| О | – | Покрытие контактов олово-висмут. |
| М | – | Безвтулочный вариант (для ОТК). |
Габаритные и установочные размеры РШАГПБ-14:
Рекомендации по обеспечению надежности, сохранности и срока службы разъёмов
Для обеспечения надежности, сохранности и долговечности разъёмов, рекомендуется соблюдать режимы и условия эксплуатации (хранения), придерживаться культуры обслуживания изделий (правильности действия персонала, обслуживающего оборудование). Также важно недопущение влияния внешних факторов и любых отклонений от норм, не предусмотренных правилами эксплуатации штепсельных соединителей.
Причины отказов и поломок разъемов:
- приложение чрезмерных усилий при расчленении и сочленении контактов, что может привести к механическим поломкам и преждевременному механическому износу;
- воздействие температуры, вибрационных и ударных нагрузок, рабочих токов и напряжений;
- физико-химические свойства материалов, примененных в конструкции разъемов;
- наличие скрытых дефектов.
Факторы, увеличивающие срок службы:
- оптимальное распределение силовых цепей в разъёме (сильноточные цепи целесообразно распределять по периферии разъёма);
- применение теплоотводов;
- облегчение режимов и условий эксплуатации по отношению к максимально допустимым режимам и условиям, оговоренным в ТУ;
- заливка монтажного пространства разъёма компаундами;
- точное соблюдение инструкций по монтажу и эксплуатации.
Рекомендуем посмотреть:












Комментарии к продукции, отзывы: