Тиристор таблеточный KP1400A-(46...52)
| Средний прямой ток, IT(AV) (TС, ºC) | 1470А (70ºC) |
| Напряжение, VDRM/VRRM | 4600-5200 В |
| Класс по напряжению, URRM / 100 | 46 – 52 |
| KP1400A-(46...52) | по запросу |
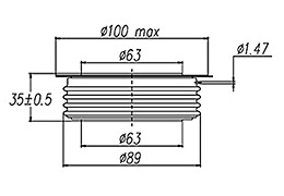
| Размеры ØDxØdxH | 100x63x35 мм |
| Масса | 1.45 кг |
| Инф. лист (даташит) |
Тиристоры KP1400A-(46...52) – силовые низкочастотные тиристоры таблеточного типа общего (Phase control thyristor). Преобразовывают и регулируют постоянный и переменный ток до 1400А частотой до 500Гц в цепях с напряжением до 4600В – 5200В (класс по напряжению от 46 до 52). Размеры корпуса тиристора KP1400A-(46...52): диаметр контактной поверхности – Ø63 мм, габаритные размеры – Ø100х35 мм, масса – 1.45 кг.
Номиналы тиристоров: KP1400A 4600V, KP1400A 4800V, KP1400A 5000V, KP1400A 5200V.
Анод и катод тиристора (полярность) определяется по значку на корпусе.
Для обеспечения отвода тепла при работе силовых тиристоров их собирают с охладителями (радиаторами). Исходя из количества выделяемого тепла и условий работы полупроводников, может применяться естественное охлаждение потоком воздуха или принудительное. При сборке следует обеспечивать усилие сжатия Fm, характерное для каждого типа корпуса тиристора (указано в таблице параметров).
Тиристоры могут изготавливаться для эксплуатации в умеренном, холодном и тропическом климате. Другие названия серии: тиристор KP1400, KP-1400, КР1400А, КР-1400А, КП1400, КП-1400, КП1400А, КП-1400А.
Характеристики и параметры, даташит PDF, размеры, чертёж, схема корпуса тиристора, рекомендуемые охладители указаны ниже.
Наша компания гарантирует качество и работу тиристоров в течение 2 лет с момента их приобретения. Это подкрепляется необходимыми документами по качеству.
При поставке тиристоров при необходимости предоставляем паспорт качества и сертификат соответствия.
Окончательная цена на тиристоры серии KP зависит от класса, количества, сроков поставки, производителя, страны происхождения и формы оплаты.
Основные характеристики таблеточных тиристоров KP1400A-(46...52):
| Характеристики тиристоров | KP1400A-(46...52) | |
| Максимально допустимый средний прямой ток (Температура корпуса) | IT(AV)/(TC) | 1470 А (70ºC) |
| Повторяющееся импульсное напряжение в закрытом состоянии; повторяющееся импульсное обратное напряжение |
VDRM VRRM |
4600-5200 В |
| Ударный ток в открытом состоянии | ITSM | 23.5 кА |
| Защитный показатель | I2t | 2760 кА2·c |
| Критическая скорость нарастания напряжения в закрытом состоянии | dv/dt | 2000 В/мкс |
| Критическая скорость нарастания тока в открытом состоянии | di/dt | 200 А/мкс |
| Время выключения | tq | 800 мкс |
| Температура p-n перехода | Tvj max | 125 ºC |
| Тепловое сопротивление переход-корпус | Rth(j-c) | 0.011 ºC/Вт |
| Усилие сжатия | Fm ±10% | 50 кН |
| Масса, не более | W | 1.45 кг |
| Размеры | ØDxØdxH | 100x63x35 |
| Информационный лист (даташит) | ||
Расшифровка обозначений маркировки тиристоров KP1400A 5200V:
| KP | 1400A | – | 5200V |
| KP | – | Серия тиристора: Phase control thyristor. |
| 1400A | – | Средний ток в открытом состоянии IT(AV), A. |
| 5200V | – | Номинальное напряжение, В. |
Полярность (анод, катод), размеры тиристора KP1400A-(46...52):
|
|
Документация (даташит) на тиристоры KP1400A-(46...52):
Скачать PDF на тиристоры KP1400A-(46...52)
Охладители для таблеточных силовых тиристоров:
Охладители (радиаторы) применяются для одностороннего и двухстороннего охлаждения силовых полупроводниковых приборов таблеточного исполнения.
Теплоотводы охладителей изготавливаются из алюминиевых радиаторных профилей и не требуют дополнительного защитного покрытия при эксплуатации в различных климатических условиях.
Более подробную информацию об охладителях смотрите в разделе "Таблеточные охладители воздушного охлаждения" и "Таблеточные охладители водяного охлаждения".
Фото таблеточных силовых тиристоров:
Рекомендуем посмотреть:

















Комментарии к продукции, отзывы: