Тиристор таблеточный KP750A-(20...26)
| Средний прямой ток, IT(AV) (TС, ºC) | 750А (70ºC) | 
| Напряжение, VDRM/VRRM | 2000-2600 В | 
| Класс по напряжению, URRM / 100 | 20 – 26 | 
| KP750A-(20...26) | по запросу | 
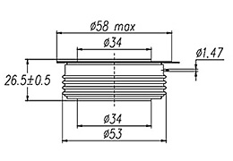
| Размеры ØDxØdxH | 58x34x26.5 мм | 
| Масса | 0.26 кг | 
| Инф. лист (даташит) |  | 
Тиристоры KP750A-(20...26) – силовые низкочастотные тиристоры таблеточного типа общего (Phase control thyristor). Преобразовывают и регулируют постоянный и переменный ток до 750А частотой до 500Гц в цепях с напряжением до 2000В – 2600В (класс по напряжению от 20 до 26). Размеры корпуса тиристора KP750A-(20...26): диаметр контактной поверхности – Ø34 мм, габаритные размеры – Ø58х26.5 мм, масса – 0.26 кг.
Номиналы тиристоров: KP750A 2000V, KP750A 2200V, KP750A 2400V, KP750A 2600V.
Анод и катод тиристора (полярность) определяется по значку на корпусе.
Для обеспечения отвода тепла при работе силовых тиристоров их собирают с охладителями (радиаторами). Исходя из количества выделяемого тепла и условий работы полупроводников, может применяться естественное охлаждение потоком воздуха или принудительное. При сборке следует обеспечивать усилие сжатия Fm, характерное для каждого типа корпуса тиристора (указано в таблице параметров).
Тиристоры могут изготавливаться для эксплуатации в умеренном, холодном и тропическом климате. Другие названия серии: тиристор KP750, KP-750, КР750А, КР-750А, КП750, КП-750, КП750А, КП-750А.
Характеристики и параметры, даташит PDF, размеры, чертёж, схема корпуса тиристора, рекомендуемые охладители указаны ниже.
Наша компания гарантирует качество и работу тиристоров в течение 2 лет с момента их приобретения. Это подкрепляется необходимыми документами по качеству.
При поставке тиристоров при необходимости предоставляем паспорт качества и сертификат соответствия.
Окончательная цена на тиристоры серии KP зависит от класса, количества, сроков поставки, производителя, страны происхождения и формы оплаты.
Основные характеристики таблеточных тиристоров KP750A-(20...26):
| Характеристики тиристоров | KP750A-(20...26) | |
| Максимально допустимый средний прямой ток (Температура корпуса) | IT(AV)/(TC) | 750 А (70ºC) | 
| Повторяющееся импульсное напряжение в закрытом состоянии; повторяющееся импульсное обратное напряжение | VDRM VRRM | 2000-2600 В | 
| Ударный ток в открытом состоянии | ITSM | 11 кА | 
| Защитный показатель | I2t | 605 кА2·c | 
| Критическая скорость нарастания напряжения в закрытом состоянии | dv/dt | 1000 В/мкс | 
| Критическая скорость нарастания тока в открытом состоянии | di/dt | 150 А/мкс | 
| Время выключения | tq | 250 мкс | 
| Температура p-n перехода | Tvj max | 125 ºC | 
| Тепловое сопротивление переход-корпус | Rth(j-c) | 0.035 ºC/Вт | 
| Усилие сжатия | Fm ±10% | 15 кН | 
| Масса, не более | W | 0.26 кг | 
| Размеры | ØDxØdxH | 58x34x26.5 | 
| Информационный лист (даташит) |  | |
Расшифровка обозначений маркировки тиристоров KP750A 2600V:
| KP | 750A | – | 2600V | 
| KP | – | Серия тиристора: Phase control thyristor. | 
| 750A | – | Средний ток в открытом состоянии IT(AV), A. | 
| 2600V | – | Номинальное напряжение, В. | 
Полярность (анод, катод), размеры тиристора KP750A-(20...26):
|   |   | 
Документация (даташит) на тиристоры KP750A-(20...26):
 Скачать PDF на тиристоры KP750A-(20...26)
Скачать PDF на тиристоры KP750A-(20...26)
Охладители для таблеточных силовых тиристоров:
Охладители (радиаторы) применяются для одностороннего и двухстороннего охлаждения силовых полупроводниковых приборов таблеточного исполнения.
Теплоотводы охладителей изготавливаются из алюминиевых радиаторных профилей и не требуют дополнительного защитного покрытия при эксплуатации в различных климатических условиях.
Более подробную информацию об охладителях смотрите в разделе "Таблеточные охладители воздушного охлаждения" и "Таблеточные охладители водяного охлаждения".
Фото таблеточных силовых тиристоров:
Рекомендуем посмотреть:
























Комментарии к продукции, отзывы: