Тиристор таблеточный KP500A-(24...34)
| Средний прямой ток, IT(AV) (TС, ºC) | 530А (70ºC) |
| Напряжение, VDRM/VRRM | 2400-3400 В |
| Класс по напряжению, URRM / 100 | 24 – 34 |
| KP500A-(24...34) | по запросу |
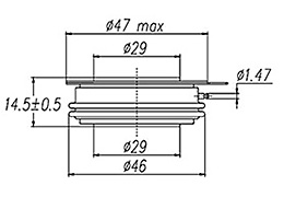
| Размеры ØDxØdxH | 47x29x14.5 мм |
| Масса | 0.24 кг |
| Инф. лист (даташит) |
Тиристоры KP500A-(24...34) – силовые низкочастотные тиристоры таблеточного типа общего (Phase control thyristor). Преобразовывают и регулируют постоянный и переменный ток до 500А частотой до 500Гц в цепях с напряжением до 2400В – 3400В (класс по напряжению от 24 до 34). Размеры корпуса тиристора KP500A-(24...34): диаметр контактной поверхности – Ø29 мм, габаритные размеры – Ø47х14.5 мм, масса – 0.24 кг.
Номиналы тиристоров: KP500A 2400V, KP500A 2600V, KP500A 2800V, KP500A 3000V, KP500A 3200V, KP500A 3400V.
Анод и катод тиристора (полярность) определяется по значку на корпусе.
Для обеспечения отвода тепла при работе силовых тиристоров их собирают с охладителями (радиаторами). Исходя из количества выделяемого тепла и условий работы полупроводников, может применяться естественное охлаждение потоком воздуха или принудительное. При сборке следует обеспечивать усилие сжатия Fm, характерное для каждого типа корпуса тиристора (указано в таблице параметров).
Тиристоры могут изготавливаться для эксплуатации в умеренном, холодном и тропическом климате. Другие названия серии: тиристор KP500, KP-500, КР500А, КР-500А, КП500, КП-500, КП500А, КП-500А.
Характеристики и параметры, даташит PDF, размеры, чертёж, схема корпуса тиристора, рекомендуемые охладители указаны ниже.
Наша компания гарантирует качество и работу тиристоров в течение 2 лет с момента их приобретения. Это подкрепляется необходимыми документами по качеству.
При поставке тиристоров при необходимости предоставляем паспорт качества и сертификат соответствия.
Окончательная цена на тиристоры серии KP зависит от класса, количества, сроков поставки, производителя, страны происхождения и формы оплаты.
Основные характеристики таблеточных тиристоров KP500A-(24...34):
| Характеристики тиристоров | KP500A-(24...34) | |
| Максимально допустимый средний прямой ток (Температура корпуса) | IT(AV)/(TC) | 530 А (70ºC) |
| Повторяющееся импульсное напряжение в закрытом состоянии; повторяющееся импульсное обратное напряжение |
VDRM VRRM |
2400-3400 В |
| Ударный ток в открытом состоянии | ITSM | 8.0 кА |
| Защитный показатель | I2t | 320 кА2·c |
| Критическая скорость нарастания напряжения в закрытом состоянии | dv/dt | 1000 В/мкс |
| Критическая скорость нарастания тока в открытом состоянии | di/dt | 150 А/мкс |
| Время выключения | tq | 400 мкс |
| Температура p-n перехода | Tvj max | 125 ºC |
| Тепловое сопротивление переход-корпус | Rth(j-c) | 0.035 ºC/Вт |
| Усилие сжатия | Fm ±10% | 10 кН |
| Масса, не более | W | 0.24 кг |
| Размеры | ØDxØdxH | 47x29x14.5 |
| Информационный лист (даташит) | ||
Расшифровка обозначений маркировки тиристоров KP500A 3400V:
| KP | 500A | – | 3400V |
| KP | – | Серия тиристора: Phase control thyristor. |
| 500A | – | Средний ток в открытом состоянии IT(AV), A. |
| 3400V | – | Номинальное напряжение, В. |
Полярность (анод, катод), размеры тиристора KP500A-(24...34):
|
|
Документация (даташит) на тиристоры KP500A-(24...34):
Скачать PDF на тиристоры KP500A-(24...34)
Охладители для таблеточных силовых тиристоров:
Охладители (радиаторы) применяются для одностороннего и двухстороннего охлаждения силовых полупроводниковых приборов таблеточного исполнения.
Теплоотводы охладителей изготавливаются из алюминиевых радиаторных профилей и не требуют дополнительного защитного покрытия при эксплуатации в различных климатических условиях.
Более подробную информацию об охладителях смотрите в разделе "Таблеточные охладители воздушного охлаждения" и "Таблеточные охладители водяного охлаждения".
Фото таблеточных силовых тиристоров:
Рекомендуем посмотреть:


















Комментарии к продукции, отзывы: