Тиристор таблеточный KP3900A-(18...22)
| Средний прямой ток, IT(AV) (TС, ºC) | 3980А (70ºC) |
| Напряжение, VDRM/VRRM | 1800-2200 В |
| Класс по напряжению, URRM / 100 | 18 – 22 |
| KP3900A-(18...22) | по запросу |
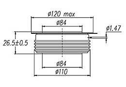
| Размеры ØDxØdxH | 120x84x26.5 мм |
| Масса | 1.4 кг |
| Инф. лист (даташит) |
Тиристоры KP3900A-(18...22) – силовые низкочастотные тиристоры таблеточного типа общего (Phase control thyristor). Преобразовывают и регулируют постоянный и переменный ток до 3900А частотой до 500Гц в цепях с напряжением до 1800В – 2200В (класс по напряжению от 18 до 22). Размеры корпуса тиристора KP3900A-(18...22): диаметр контактной поверхности – Ø84 мм, габаритные размеры – Ø120х26.5 мм, масса – 1.4 кг.
Номиналы тиристоров: KP3900A 1800V, KP3900A 2000V, KP3900A 2200V.
Анод и катод тиристора (полярность) определяется по значку на корпусе.
Для обеспечения отвода тепла при работе силовых тиристоров их собирают с охладителями (радиаторами). Исходя из количества выделяемого тепла и условий работы полупроводников, может применяться естественное охлаждение потоком воздуха или принудительное. При сборке следует обеспечивать усилие сжатия Fm, характерное для каждого типа корпуса тиристора (указано в таблице параметров).
Тиристоры могут изготавливаться для эксплуатации в умеренном, холодном и тропическом климате. Другие названия серии: тиристор KP3900, KP-3900, КР3900А, КР-3900А, КП3900, КП-3900, КП3900А, КП-3900А.
Характеристики и параметры, даташит PDF, размеры, чертёж, схема корпуса тиристора, рекомендуемые охладители указаны ниже.
Наша компания гарантирует качество и работу тиристоров в течение 2 лет с момента их приобретения. Это подкрепляется необходимыми документами по качеству.
При поставке тиристоров при необходимости предоставляем паспорт качества и сертификат соответствия.
Окончательная цена на тиристоры серии KP зависит от класса, количества, сроков поставки, производителя, страны происхождения и формы оплаты.
Основные характеристики таблеточных тиристоров KP3900A-(18...22):
| Характеристики тиристоров | KP3900A-(18...22) | |
| Максимально допустимый средний прямой ток (Температура корпуса) | IT(AV)/(TC) | 3980 А (70ºC) |
| Повторяющееся импульсное напряжение в закрытом состоянии; повторяющееся импульсное обратное напряжение |
VDRM VRRM |
1800-2200 В |
| Ударный ток в открытом состоянии | ITSM | 64.5 кА |
| Защитный показатель | I2t | 20800 кА2·c |
| Критическая скорость нарастания напряжения в закрытом состоянии | dv/dt | 1000 В/мкс |
| Критическая скорость нарастания тока в открытом состоянии | di/dt | 250 А/мкс |
| Время выключения | tq | 400 мкс |
| Температура p-n перехода | Tvj max | 125 ºC |
| Тепловое сопротивление переход-корпус | Rth(j-c) | 0.007 ºC/Вт |
| Усилие сжатия | Fm ±10% | 70 кН |
| Масса, не более | W | 1.4 кг |
| Размеры | ØDxØdxH | 120x84x26.5 |
| Информационный лист (даташит) | ||
Расшифровка обозначений маркировки тиристоров KP3900A 2200V:
| KP | 3900A | – | 2200V |
| KP | – | Серия тиристора: Phase control thyristor. |
| 3900A | – | Средний ток в открытом состоянии IT(AV), A. |
| 2200V | – | Номинальное напряжение, В. |
Полярность (анод, катод), размеры тиристора KP3900A-(18...22):
|
|
Документация (даташит) на тиристоры KP3900A-(18...22):
Скачать PDF на тиристоры KP3900A-(18...22)
Охладители для таблеточных силовых тиристоров:
Охладители (радиаторы) применяются для одностороннего и двухстороннего охлаждения силовых полупроводниковых приборов таблеточного исполнения.
Теплоотводы охладителей изготавливаются из алюминиевых радиаторных профилей и не требуют дополнительного защитного покрытия при эксплуатации в различных климатических условиях.
Более подробную информацию об охладителях смотрите в разделе "Таблеточные охладители воздушного охлаждения" и "Таблеточные охладители водяного охлаждения".
Фото таблеточных силовых тиристоров:
Рекомендуем посмотреть:


















Комментарии к продукции, отзывы: